你好游客,欢迎光临钣金网!   用户名: 密码: 验证码:    收藏本站   设为首页  注册 | 找回密码
  • 求购
  • 供应
  • 资讯
  • 人才
  • 公司
  • 展会
  您所在的位置:位置钣金网 > 求购
<?php echo  弯管成品加工;?> 弯管成品加工  
弯管成品加工 弯管加工
30乘15椭圆管 19圆管 16圆管 包工包料喷粉一起的。
产品数量:500套
 
 
位置
广东东莞
   [未审核]
2018-05-05  
<?php echo  不锈蚀钢板厚度28;?> 不锈蚀钢板厚度28  
不锈蚀钢板厚度28
河北 张家口 
 
位置
河北张家口
   [未审核]
2018-04-27  
<?php echo  非标钣金件加工;?> 非标钣金件加工  
能做的电话联系
河北保定
位置
河北保定
   [未审核]
2018-04-27  
<?php echo  不锈钢拉伸加工;?> 不锈钢拉伸加工  
不锈钢拉伸加工
实单采购,现金付款,不开发票。长年供货。不是专业做不锈钢拉伸的请绕行。
产品数量:5000件
山东潍坊
 
位置
山东潍坊
   [未审核]
2018-04-27  
<?php echo  冲压件加工;?> 冲压件加工  
冲压件加工
产品数量:200000个
广东佛山
 
 
位置
广东佛山
   [未审核]
2018-04-27  
<?php echo  U型支架;?> U型支架  
烤漆U型支架
尺寸按图做需要烤漆 u型支架 五金 冲压
产品数量:5000件
 
 
位置
广东深圳
   [未审核]
2018-04-24  
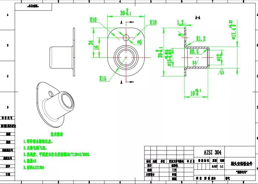
<?php echo  304 钣金件加工;?> 304 钣金件加工  
304 钣金件加工
材质:AISI304 
数量:42件。 
具体参数见图纸
 
 
 
位置
四川成都
   [未审核]
2018-04-24  
<?php echo  不锈钢圈加工;?> 不锈钢圈加工  
不锈钢圈加工
产品数量:100个
 
 
位置
江苏江阴
   [未审核]
2018-04-24  
总共:514 条 页次:7 / 65 页      首页     上一页    下一页    尾页
钣金网让产品销往全国!
免费注册后,您将拥有:
高达千元至尊企业网站
每天千万次企业采购搜索
全方位营销推广平台
位置3
大功率极速体育无插件直播_nba无插件极速体育_nba直播 极速体育切割机驻厂加工