你好游客,欢迎光临钣金网!   用户名: 密码: 验证码:    收藏本站   设为首页  注册 | 找回密码
  • 求购
  • 供应
  • 资讯
  • 人才
  • 公司
  • 展会
您所在的位置:位置1 钣金网 > 钣金学院 > 钣金设计 > 详细内容
 
钣金折弯件的结构设计原则

   发布时间:01-02   浏览次数:3054

板件弯曲时,若弯曲处的圆角过小,则外表面容易产生裂纹。若弯曲圆角过大,因受到回弹的影响,弯曲件的精度不易保证。为此规定最小弯曲半径。见4.1-3表。

圆角
圆角

弯曲的直边高度不宜过小,否则不易成形足够的弯矩,很难得到形状准确的零件。其值h≥R+2t方可。见4.1—5图。

圆角

弯曲边冲孔时,孔边到弯曲半径R中心的距离L不得过小,以免弯曲成型后会使孔变形。其值L≥2t方可。见4.1—6图。

圆角

当a<R时,弯曲后,b面靠a处仍然有一段残余圆弧,为了避免残余圆弧,必须使a≥R。

圆角

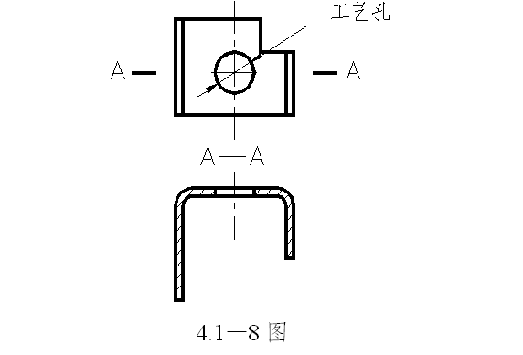
在U形弯曲件上,两弯曲边最好等长,以免弯曲时产生向一边移位。如不允许,可设一工艺定位孔。如图4.1—8图。

圆角

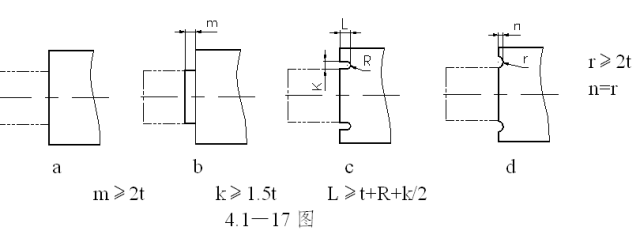
防止侧面(梯形)弯曲时产生裂纹或畸形。应设计预留切槽,或将根部改为阶梯形。槽宽K≥2t,槽深L≥t+R+K/2。

圆角
圆角

防止圆角在弯曲时受压产生挤料后起皱,应设计预留切口。如室外机侧板(上端、下端)圆角处切口形式。

圆角
圆角

防止弯曲后,直角的两侧平面产生褶皱,应设计预留切口。

圆角

防止弯曲后,产生回弹的切口形式。

圆角

防止冲孔后,弯曲产生裂纹的切口形式。

圆角

防止弯曲时,一边向内产生收缩。可设计工艺定位孔,或两边同时折弯,还可用增加幅宽的办法来解决收缩问题。

圆角

弯成直角的搭接形式。

圆角

若象a图那样弯曲线和阶梯线一致,有时会在根部开裂变形。所以使弯曲线让开阶梯线如图b,或设计切口如c、d那样。

圆角

防止弯曲时,弯曲面上的孔受力后会变形,孔边距(至底根部)其值A≥4方可。

圆角
  分享到:
来源:--
免责声明:凡注明来源本网的所有作品,均为本网合法拥有版权或有权使用的作品,欢迎转载,注明出处。非本网作品均来自互联网,转载目的在于传递更多信息,并不代表本网赞同其观点和对其真实性负责。如所转载文章的作者或单位不同意转载,请联系 banjinwang@163.com,我们将会马上删除文章。
 
钣金学院
[钣金设计] 179条Solidworks实用技巧
[钣金设计] 加工图纸英语翻译
[钣金设计] 识图最全复杂的机械加工图纸
[钣金设计] 机加工图纸有英语最全翻译
[钣金设计] 钣金折弯极限尺寸计算公式
[钣金设计] 钣金折弯件的结构设计原则
 
推荐资讯
[钣金行业] 热烈祝贺河北旭诚2017项目座
[钣金行业] 2017第十二届广州国际表面处
[钣金行业] 品管与生产,为什么很难和谐
[钣金行业] 从钣金工到亿万富翁 他将小?/a>
[钣金行业] 钣金加工要由弱到强,要直面
[钣金行业] 钣金加工机箱机柜尺寸如何维
位置2
技术前沿--钣金机械
德国OBO螺柱焊机
钣金老师壳体算料 软件